
Unpolished Tube OD Butt Weld Fittings are used in a wide variety of industrial applications where sanitary finishes are not generally required. GVC Direct, Inc.'s tumbled finish presents a consistent uniform appearance.
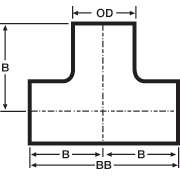
GVC Direct, Inc.'s Unpolished Butt Weld Fittings are offered in nominal tube sizes 1/2" through 8" in 304 SS and 316L SS materials. Uniform wall thickness for 1/2" through 3" sizes measure .065 (16 ga). In 4" size, wall thickness measure .083 (14 ga), 6" and 8" .109 (12 ga).
Only a Certificate of Conformance is available upon request at time of order.

