
Thumbnails

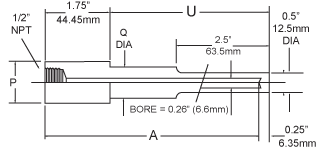
Socket Weld Thermowells are often used to adapt a thermometer or temperature instrument to a tank or other fabrication where the thermowell is permanently welded in place. The thermowell allows the instrument to be removed for repair or replacement without opening the process connection. GVC Direct offers a number of instruments and thermowells to meet nearly any process instrument application. Contact us for any special needs.
| Pipe Weld Size | Overall Length (A) | U | Q | P |
|---|---|---|---|---|
| 3/4" | 4" | 2.5" | 0.5" | 1.05" |
| 3/4" | 6" | 4.5" | 0.75" | 1.05" |
| 3/4" | 9" | 7.5" | 0.75" | 1.05" |
| 3/4" | 12" | 10.5" | 0.75" | 1.05" |
| Pipe Weld Size | Overall Length (A) | U | Q | P |
|---|---|---|---|---|
| 1" | 4" | 2.5" | 0.875" | 1.315" |
| 1" | 6" | 4.5" | 0.875" | 1.315" |
| 1" | 9" | 7.5" | 0.875" | 1.315" |
| 1" | 12" | 10.5" | 0.875" | 1.315" |